1
2
3
4
5
#

Less effort, better results

The all-in-one learning platform built for physics educators and their students.

Lesson Name: Resistors in Series and Parallel

Instructional Block

Resistors in Series and Parallel

LEARNING OBJECTIVES

By the end of this section, you will be able to:

  • Draw a circuit with resistors in parallel and in series.
  • Use Ohm’s law to calculate the voltage drop across a resistor when current passes through it.
  • Contrast the way total resistance is calculated for resistors in series and in parallel.
  • Explain why total resistance of a parallel circuit is less than the smallest resistance of any of the resistors in that circuit.
  • Calculate total resistance of a circuit that contains a mixture of resistors connected in series and in parallel.

 

INTRODUCTION

Most circuits have more than one component, called a resistor that limits the flow of charge in the circuit. A measure of this limit on charge flow is called resistance. The simplest combinations of resistors are the series and parallel connections illustrated in Figure 1. The total resistance of a combination of resistors depends on both their individual values and how they are connected.

Figure 1. (a) A series connection of resistors. (b) A parallel connection of resistors.
RESISTORS IN SERIES

When are resistors in series? Resistors are in series whenever the flow of charge, called the current, must flow through devices sequentially. For example, if current flows through a person holding a screwdriver and into the Earth, then \(R_{1}\) in Figure 1(a) could be the resistance of the screwdriver’s shaft, \(R_{2}\) the resistance of its handle, \(R_{3}\) the person’s body resistance, and \(R_{4}\) the resistance of her shoes.

Figure 2 shows resistors in series connected to a voltage source. It seems reasonable that the total resistance is the sum of the individual resistances, considering that the current has to pass through each resistor in sequence. (This fact would be an advantage to a person wishing to avoid an electrical shock, who could reduce the current by wearing high-resistance rubber-soled shoes. It could be a disadvantage if one of the resistances were a faulty high-resistance cord to an appliance that would reduce the operating current.)

Figure 2. Three resistors connected in series to a battery (left) and the equivalent single or series resistance (right).

To verify that resistances in series do indeed add, let us consider the loss of electrical power, called a voltage drop, in each resistor in Figure 1.

According to Ohm’s law, the voltage drop,\(V\), across a resistor when a current flows through it is calculated using the equation \(V = IR\), where \(I \) equals the current in amps (A) and \(R\) is the resistance in ohms . Another way to think of this is that \(V\) is the voltage necessary to make a current \(I\) flow through a resistance \(R\).

So the voltage drop across \(R_{1}\) is \(V_{1} = IR_{1}\), that across \(R_{2}\) is \(V_{2} = IR_{2}\), and that across \(R_{3}\) is \(V_{3} = IR_{3}\). The sum of these voltages equals the voltage output of the source; that is,

This equation is based on the conservation of energy and conservation of charge. Electrical potential energy can be described by the equation \(PE = q V\), where \(q\) is the electric charge and \(V\) is the voltage. Thus the energy supplied by the source is \(qV\), while that dissipated by the resistors is

 

CONNECTIONS: CONSERVATION LAWS

 

The derivations of the expressions for series and parallel resistance are based on the laws of conservation of energy and conservation of charge, which state that total charge and total energy are constant in any process. These two laws are directly involved in all electrical phenomena and will be invoked repeatedly to explain both specific effects and the general behavior of electricity.

These energies must be equal, because there is no other source and no other destination for energy in the circuit. Thus, \(qV = qV_{1} + qV_{2} + qV_{3}\). The charge \(q\) cancels, yielding \(V = V_{1} + V_{2} + V_{3}.\), as stated. (Note that the same amount of charge passes through the battery and each resistor in a given amount of time, since there is no capacitance to store charge, there is no place for charge to leak, and charge is conserved.)

Now substituting the values for the individual voltages gives

Note that for the equivalent single series resistance \(R_{ \mathrm{s}}\), we have

This implies that the total or equivalent series resistance \(R _{\mathrm{s}}\) of three resistors is \(R_{\mathrm{s}} = R_{1} + R_{2} + R_{3}\).

This logic is valid in general for any number of resistors in series; thus, the total resistance  of a series connection is

as proposed. Since all of the current must pass through each resistor, it experiences the resistance of each, and resistances in series simply add up.

EXAMPLE #1

CALCULATING RESISTANCE, CURRENT, VOLTAGE DROP, AND POWER DISSIPATION: ANALYSIS OF A SERIES CIRCUIT

Suppose the voltage output of the battery in Figure 2 is  , and the resistances are \(R _{1} = 1.00 \thinspace \Omega\) \(R _{2} = 6.00 \thinspace \Omega\), and \(R _{3} = 13.00 \thinspace \Omega\). (a) What is the total resistance? (b) Find the current. (c) Calculate the voltage drop in each resistor, and show these add to equal the voltage output of the source. (d) Calculate the power dissipated by each resistor. (e) Find the power output of the source, and show that it equals the total power dissipated by the resistors.

Strategy and Solution for (a)

The total resistance is simply the sum of the individual resistances, as given by this equation:

\( = 1.00 \thinspace \Omega + 6.00 \thinspace \Omega + 13.00 \thinspace \Omega\)
\( = 20.0 \thinspace \Omega.\)

Strategy and Solution for (b)

The current is found using Ohm’s law, \(V= IR\). Entering the value of the applied voltage and the total resistance yields the current for the circuit:

Strategy and Solution for (c)

The voltage—or  \(IR\) drop—in a resistor is given by Ohm’s law. Entering the current and the value of the first resistance yields

Similarly,

and

Discussion for (c)

The three \(IR\) drops add to , as predicted:

Strategy and Solution for (d)

The easiest way to calculate power in watts (W) dissipated by a resistor in a DC circuit is to use Joule’s law\(P= IV\), where \(P\) is electric power. In this case, each resistor has the same full current flowing through it. By substituting Ohm’s law \(V = IR\) into Joule’s law, we get the power dissipated by the first resistor as

Similarly,

and

Discussion for (d)

Power can also be calculated using either \(P = IV\) or \(P = \frac{V^2}{R}\), where  is the voltage drop across the resistor (not the full voltage of the source). The same values will be obtained.

Strategy and Solution for (e)

The easiest way to calculate power output of the source is to use \(P = IV\), where \(V\) is the source voltage. This gives

Discussion for (e)

Note, coincidentally, that the total power dissipated by the resistors is also 7.20 W, the same as the power put out by the source. That is,

Power is energy per unit time (watts), and so conservation of energy requires the power output of the source to be equal to the total power dissipated by the resistors.

MAJOR FEATURES OF RESISTORS IN SERIES
  1. Series resistances add: \(R_{\mathrm{s}} = R_{\mathrm{1}} + R_{\mathrm{2}} + R_{\mathrm{3}} +\)
  2. The same current flows through each resistor in series.
  3. Individual resistors in series do not get the total source voltage, but divide it.
No answers found for this question
No hints found for this question

Multiple Choice

Which is not an advantage of a series circuit?

Answer Rubric % Of Choosen
Series circuit do not overheat easily. In-Correct 0 %
The more loads, the greater the resistance of the circuit. Correct 0 %
Easy to add additional devices. In-Correct 0 %
It is easier to build up. In-Correct 0 %
No hints found for this question

Numeric + Units

Five resistors with resistances 2 \(\Omega\), 9 \(\Omega\) , 8 \(\Omega\) , 20 \(\Omega\) , and 17 \(\Omega\) are connected in series. What is their total resistance?

Is correct? Answer (midpoint) Rounding Margin Answer Range Units Wrong Answer Feedback
Correct 56 0 [56,56]

\(\Omega\)

\(R_s=R_1+R_2+R_3+R_4+R_5\)

 

\(R_s=2\;\Omega+9\;\Omega+8\;\Omega+20\;\Omega+17\;\Omega\)

 

Answer: \(56\;\Omega\)


Numeric + Units

Two resistors with resistances  2 \(\Omega\) and 15 \(\Omega\) are connected in series with a 17 battery. Calculate the current flowing through the resistors.

Is correct? Answer (midpoint) Rounding Margin Answer Range Units Wrong Answer Feedback
Correct 1 0 [1,1]

\(A\)

\(V=RI \; \Rightarrow \; I={V \over R}\)

 

Since the resistors are connected in series, \(R=R_1+R_2 \; \Rightarrow \; I={V \over R_1+R_2}\)

 

 \(I={17 \; V\over 2 \; \Omega+15 \; \Omega}\)

 

Answer: \(1 \; A\)

Numeric + Units

Calculate the electrical potential in the terminals of resistor  R1 .

Is correct? Answer (midpoint) Rounding Margin Answer Range Units Wrong Answer Feedback
Correct 2 0 [2,2]

\(V\)

\(V=RI \; \Rightarrow \; V=R_1I\)

 

 \(V=(2 \; \Omega)(1 \; A)\)

 

Answer: \(2 \; V\)


Numeric + Units

Calculate the electrical potential in the terminals of resistor R2.

Is correct? Answer (midpoint) Rounding Margin Answer Range Units Wrong Answer Feedback
Correct 15 0 [15,15]

\(V\)

\(V=RI \; \Rightarrow \; V=R_2I\)

 

 \(V=(15 \; \Omega)(1 \; A)\)

 

Answer: \(15 \; V\)



Numeric + Units

A simple circuit is made up of a 24-\(\Omega\) resistor connected to a 7-V source. How much current flows through the resistor?

Is correct? Answer (midpoint) Rounding Margin Answer Range Units Wrong Answer Feedback
Correct 0.295 0.005 [0.29,0.3]

\(A\)

\(I={V \over R}\)

 

\(I={7\;V \over 24\;\Omega}\)

 

Answer: \(0.2917\;A\)


Numeric + Units

Three resistors with resistances 8 \(\Omega\), 4 \(\Omega\), and 3 \(\Omega\) are connected in series with a 24 V battery. Calculate the current flowing through the resistors.

Is correct? Answer (midpoint) Rounding Margin Answer Range Units Wrong Answer Feedback
Correct 1.65 0.1 [1.55,1.75]

\(A\)

\(V=RI\)

 

 \(I={V \over R}\)

 

Since the resistors are connected in series \(R=R_1+R_2+R_3 \; \Rightarrow \; I={V \over R_1+R_2+R_3}\)

 

 \(I={24 \; V \over 8 \; \Omega+4 \; \Omega+3 \; \Omega}\)

 

Answer: \(1.6 \; A\)


Numeric + Units

Two resistors are connected in series to a 12-V source. The total current passing through the circuit is 3 A and the total resistance of the resistors is \(R_s=6\; \Omega\). If \(R_1\) is twice as much as \(R_2\), what is the value of \(R_1\)

Is correct? Answer (midpoint) Rounding Margin Answer Range Units Wrong Answer Feedback
Correct 4 0 [4,4]

\(\Omega\)

\(R_1 = 2R_2 \implies R_2={R_1 \over 2}\)

 

\(R_s=R_1 + R_2 \implies R_s=R_1 + {R_1 \over 2}={3R_1 \over 2}\)

 

\(R_1={2R_s \over 3} \rightarrow R_1={2(6\; \Omega) \over 3}\)

 

Answer: \(4\; \Omega\)


Numeric + Units

Two resistors, \(R_1\) and \(R_2\), are connected in series to a 23 V source. The total current passing through the circuit is 5 A. What is the total resistance of the circuit?

Is correct? Answer (midpoint) Rounding Margin Answer Range Units Wrong Answer Feedback
Correct 4.65 0.1 [4.55,4.75]

\(\Omega\)

\(R_S={V_0\over I_0}\)

 

 \(R_S={23 \space V\over 5 \space A}\)

 

Answer: \(4.6 \space \Omega\)

Numeric + Units

If \(R_1\)is two times \(R_2\), what is its value?

Is correct? Answer (midpoint) Rounding Margin Answer Range Units Wrong Answer Feedback
Correct 3.05 0.05 [3,3.1]

\(\Omega\)

\(R_1=2R_2\)

 

We know that \(R_S=R_1+R_2\), therefore, \(R_S=R_1+{R_1\over 2}\)

 

 \(R_S={3R_1 \over 2} \; \Rightarrow \; R_1={2R_S \over 3}\)

 

Answer: \(3.0667 \space \Omega\)


Numeric + Units

How much is \(R_2\)?

Is correct? Answer (midpoint) Rounding Margin Answer Range Units Wrong Answer Feedback
Correct 1.55 0.05 [1.5,1.6]

\(\Omega\)

\(R_2={R_1 \over 2}\)
 

 \(R_2=\frac{3.0667 \; \Omega}{2}\)

 

Answer: \(1.5333 \space \Omega\)



Numeric + Units

Four resistors, \(R_1=7 \space \Omega\) , \(R_2=8 \space \Omega\)\(R_3=8 \space \Omega\) , and \(R_4=2 \space \Omega\) are connected in series to a 59-V source. What is the total resistance of the circuit?

Is correct? Answer (midpoint) Rounding Margin Answer Range Units Wrong Answer Feedback
Correct 25 0 [25,25]

\(\Omega\)

\(R_S=R_1+R_2+R_3+R_4\)

 

 \(R_S=7 \space \Omega+8 \space \Omega+8 \space \Omega+2 \space \Omega\)

 

Answer: \(25 \space \Omega\)

Numeric + Units

If \(R_4\) were replaced by another resistor such that the total resistance of the circuit is 74 \(\Omega\), what would be its value?

Is correct? Answer (midpoint) Rounding Margin Answer Range Units Wrong Answer Feedback
Correct 51 0 [51,51]

\(\Omega\)

\(R_4=R_S-(R_1+R_2+R_3)\)

 

 \(R_4=74 \space \Omega-(7 \space \Omega+8 \space \Omega+8 \space \Omega)\)

 

Answer: \(51 \space \Omega \)



Numeric + Units

The total resistance of three resistors connected in series is 28 \(\Omega\). If the resistance of resistors A and B are 8 \(\Omega\) and 5 \(\Omega\), respectively, how much is the resistance of resistor C?

Is correct? Answer (midpoint) Rounding Margin Answer Range Units Wrong Answer Feedback
Correct 15 0 [15,15]

\(\Omega\)

\(R_s=R_A+R_B+R_C\)

 

\(R_C=R_s-(R_A+R_B)\)

 

\(R_C=28\;\Omega-(8\;\Omega+5\;\Omega)\)

 

Answer: \(15\;\Omega\)


Numeric + Units

Calculate the total resistance of the circuit below.

Is correct? Answer (midpoint) Rounding Margin Answer Range Units Wrong Answer Feedback
Correct 16 0 [16,16]

\(\Omega\)

\(R_S=R_1+R_2+R_3+R_4\)

 

 \(R_S=4 \; \Omega+2 \; \Omega+4 \; \Omega+6 \; \Omega\)

 

Answer: \(16 \; \Omega\)


Instructional Block
RESISTORS IN PARALLEL

Figure 3 shows resistors in parallel, wired to a voltage source. Resistors are in parallel when each resistor is connected directly to the voltage source by connecting wires having negligible resistance. Each resistor thus has the full voltage of the source applied to it.

Each resistor draws the same current it would if it alone were connected to the voltage source (provided the voltage source is not overloaded). For example, an automobile’s headlights, radio, and so on, are wired in parallel, so that they utilize the full voltage of the source and can operate completely independently. The same is true in your house, or any building. (See Figure 3(b).)

Figure 3. (a) Three resistors connected in parallel to a battery and the equivalent single or parallel resistance. (b) Electrical power setup in a house. (credit: Dmitry G, Wikimedia Commons)

To find an expression for the equivalent parallel resistance \(R_{\mathrm{p}}\), let us consider the currents that flow and how they are related to resistance. Since each resistor in the circuit has the full voltage, the currents flowing through the individual resistors are \(I_{1} = \frac{V}{R_{1}}\),  \(I_{2} = \frac{V}{R_{2}}\) and \(I_{3} = \frac{V}{R_{3}}\). Conservation of charge implies that the total current  produced by the source is the sum of these currents:

Substituting the expressions for the individual currents gives

Note that Ohm’s law for the equivalent single resistance gives

The terms inside the parentheses in the last two equations must be equal. Generalizing to any number of resistors, the total resistance \(R_{\mathrm{p}}\) of a parallel connection is related to the individual resistances by

This relationship results in a total resistance  that is less than the smallest of the individual resistances. (This is seen in the next example.) When resistors are connected in parallel, more current flows from the source than would flow for any of them individually, and so the total resistance is lower.

EXAMPLE #2

CALCULATING RESISTANCE, CURRENT, POWER DISSIPATION, AND POWER OUTPUT: ANALYSIS OF A PARALLEL CIRCUIT

Let the voltage output of the battery and resistances in the parallel connection in Figure 3 be the same as the previously considered series connection: \(V = 12.0 \thinspace \mathrm{V}\)\(R_{1} = 1.00 \thinspace \Omega\)\(R_{2} = 6.00 \thinspace \Omega\), and \(R_{3} = 13.0 \thinspace \Omega\). (a) What is the total resistance? (b) Find the total current. (c) Calculate the currents in each resistor, and show these add to equal the total current output of the source. (d) Calculate the power dissipated by each resistor. (e) Find the power output of the source, and show that it equals the total power dissipated by the resistors.

Strategy and Solution for (a)

The total resistance for a parallel combination of resistors is found using the equation below. Entering known values gives

Thus,

(Note that in these calculations, each intermediate answer is shown with an extra digit.)

We must invert this to find the total resistance \(R _{\mathrm{p}}\). This yields

The total resistance with the correct number of significant digits is \(R _{\mathrm{p}} = 0.804 \thinspace \Omega\)

Discussion for (a)

\(R_{\mathrm{p}}\) is, as predicted, less than the smallest individual resistance.

Strategy and Solution for (b)

The total current can be found from Ohm’s law, substituting \(R_{\mathrm{p}}\) for the total resistance. This gives

Discussion for (b)

Current \(I\) for each device is much larger than for the same devices connected in series (see the previous example). A circuit with parallel connections has a smaller total resistance than the resistors connected in series.

Strategy and Solution for (c)

The individual currents are easily calculated from Ohm’s law, since each resistor gets the full voltage. Thus,

Similarly,

and

Discussion for (c)

The total current is the sum of the individual currents:

This is consistent with conservation of charge.

Strategy and Solution for (d)

The power dissipated by each resistor can be found using any of the equations relating power to current, voltage, and resistance, since all three are known. Let us use \(P = \frac{V^2}{R}\), since each resistor gets full voltage. Thus,

Similarly,

and

Discussion for (d)

The power dissipated by each resistor is considerably higher in parallel than when connected in series to the same voltage source.

Strategy and Solution for (e)

The total power can also be calculated in several ways. Choosing \(P = IV\), and entering the total current, yields

Discussion for (e)

Total power dissipated by the resistors is also 179 W:

This is consistent with the law of conservation of energy.

Overall Discussion

Note that both the currents and powers in parallel connections are greater than for the same devices in series.

MAJOR FEATURES OF RESISTORS IN PARALLEL
  1. Parallel resistance is found from \(\frac{1}{R_{\mathrm{p}}} = \frac{1}{R_{1}} + \frac{1}{R_{2}} + \frac{1}{R_{3}} +\), and it is smaller than any individual resistance in the combination.
  2. Each resistor in parallel has the same full voltage of the source applied to it. (Power distribution systems most often use parallel connections to supply the myriad devices served with the same voltage and to allow them to operate independently.)
  3. Parallel resistors do not each get the total current; they divide it.
No hints found for this question

Multiple Choice

How much electric potential is used by each load in a parallel connection?

Answer Rubric % Of Choosen
The electric potential used by each load depends on the current flowing through it. In-Correct 0 %
The electric potential differs in the individual resistance of the loads. In-Correct 0 %
The electric potential of each load is the same as the total electric potential of the circuit. Correct 0 %
The electric potential of each load depends on its position in the circuit. In-Correct 0 %
No hints found for this question

Numeric + Units

What is the total resistance of the circuit below?

Is correct? Answer (midpoint) Rounding Margin Answer Range Units Wrong Answer Feedback
Correct 1.75 0.05 [1.7,1.8]

\(\Omega\)

Incorrect 0.585 0.005 [0.58,0.59]

\(\Omega\)

Calculate the inverse of the sum of the inverses of the individual resistances.

\({1 \over R_P}={1 \over R_1}+{1 \over R_2}+{1 \over R_3}\)

 

 \({1 \over R_P}={1 \over 3 \; \Omega}+{1 \over 8 \; \Omega}+{1 \over 8 \; \Omega}\)

 

 \({1 \over R_P}=0.5833 \; {1 \over \Omega}\)

 

Answer: \(1.7143 \; \Omega\)

Numeric + Units

How much current is passing through the circuit?

Is correct? Answer (midpoint) Rounding Margin Answer Range Units Wrong Answer Feedback
Correct 10.5 0.5 [10,11]

\(A\)

\(I_0={V_0 \over R_P}\)

 

 \(I_0={18 \; V \over 1.7143 \; \Omega}\)

 

Answer: \(10.5 \; A\)



Numeric + Units

The equivalent resistance of six resistors connected in parallel is 5.6 \(\Omega\) . If all have the same resistance, what is the resistance of one of them?

Is correct? Answer (midpoint) Rounding Margin Answer Range Units Wrong Answer Feedback
Correct 33.5 0.5 [33,34]

\(\Omega\)

 \({1\over R_{eq}}={1 \over R_1}+{1 \over R_2}+ \cdots+{1 \over R_6}={6 \over R_i}\)

 

 \({1\over R_{eq}}={6 \over R_i} \; \Rightarrow \; R_i=6R_{eq}\)

 

 \(R_i=6(5.6 \space \Omega)\)

 

Answer: \(33.6 \space \Omega\)


Multiple Choice

In a circuit, a parallel combination of six 1.6-kΩ resistors is connected in series with a parallel combination of four 2.4-kΩ resistors. If the source voltage is 24 V, what will be the percentage of the total current in one of the 2.4-kΩ resistors?

Answer Rubric % Of Choosen
10% In-Correct 0 %
12% In-Correct 0 %
20% In-Correct 50 %
25% Correct 50 %
No hints found for this question

Numeric + Units

What is the total resistance of two resistors with resistances 9 \(\Omega\) and 5 \(\Omega\) if they are connected in parallel?

Is correct? Answer (midpoint) Rounding Margin Answer Range Units Wrong Answer Feedback
Correct 3.25 0.05 [3.2,3.3]

\(\Omega\)

Incorrect 0.315 0.005 [0.31,0.32]

\(\Omega\)

Calculate the inverse of the sum of the inverses of the individual resistances.

\({1\over R_p}={1\over R_1}+{1\over R_2}\)

 

\({1\over R_p}={1\over 9\;\Omega}+{1\over 5\;\Omega}\)

 

Answer: \(3.2143\;\Omega\)


Multiple Choice

 

Two resistors, with resistances R and 2R are connected to a voltage source as shown above. If the power dissipated in R is 10 W, what is the power dissipated in 2R?

Answer Rubric % Of Choosen
10 W In-Correct 0 %
2.5 W In-Correct 0 %
1 W In-Correct 0 %
5 W Correct 0 %
No hints found for this question

Numeric + Units

Three resistors are connected in parallel, each has a resistance \(R_1=7 \space \Omega\)\(R_2=7 \space \Omega\), and \(R_3=7 \space \Omega\). Solve for the total resistance of the circuit.  

Is correct? Answer (midpoint) Rounding Margin Answer Range Units Wrong Answer Feedback
Correct 2.35 0.05 [2.3,2.4]

\(\Omega\)

Incorrect 0.425 0.005 [0.42,0.43]

\(\Omega\)

Calculate the inverse of the sum of the inverses of the individual resistances.

\({1\over R_p}={1 \over R_1}+{1 \over R_2}+{1 \over R_3}\)

 

 \({1\over R_p}={1 \over 7 \space \Omega}+{1 \over 7 \space \Omega}+{1 \over 7 \space \Omega}\)

 

 \({1 \over R_p}=0.4286 \space {1 \over \Omega}\)

 

 \(R_p={1\over 0.4286 \space {1\over \Omega}}\)

 

Answer: \(2.3333 \space \Omega\)

Numeric + Units

If \(R_1\) were replaced by another resistor such that the total resistance of the circuit is 1 \(\Omega\), what would be its value?

Is correct? Answer (midpoint) Rounding Margin Answer Range Units Wrong Answer Feedback
Correct 1.4 0.1 [1.3,1.5]

\(\Omega\)

\({1 \over R_1}={1\over R_p}-({1\over R_2}+{1\over R_3})\)

 

 \({1 \over R_1}={1\over 1 \space \Omega}-({1\over 7 \space \Omega}+{1\over 7 \space \Omega})\)

 

 \({1 \over R_1}= 0.7143 \space {1\over \Omega}\)

 

 \(R_1={1\over 0.7143 \space {1 \over \Omega}}\)

 

Answer: \(1.4 \space \Omega\)



Numeric + Units
\(R_1\) is connected parallel to \(R_2\). The total current that flows through the entire circuit is 1 A and the electric potential source is 55 V. What is the total resistance?
Is correct? Answer (midpoint) Rounding Margin Answer Range Units Wrong Answer Feedback
Correct 55 0 [55,55]

\(\Omega\)

\(R_p={V\over I}\)

 

 \(R_p={55 \space V\over 1 \space A}\)

 

Answer: \(55 \space \Omega\)

Numeric + Units

What is the value of \(R_1\) if it is half of \(R_2\)?

Is correct? Answer (midpoint) Rounding Margin Answer Range Units Wrong Answer Feedback
Correct 82.5 0.5 [82,83]

\(\Omega\)

\(R_1={R_2 \over 2} \space \Rightarrow \space R_2=2R_1\)

 

 \({1 \over R_p}={1 \over R_1}+{1 \over 2R_1}={3 \over 2R_1}\)

 

 \(R_1={3R_p \over 2}\)

 

 \(R_1={3(55 \space \Omega) \over 2}\)

 

Answer: \(82.5 \space \Omega\)


Numeric + Units

What is \(R_2\)?

Is correct? Answer (midpoint) Rounding Margin Answer Range Units Wrong Answer Feedback
Correct 165 5 [160,170]

\(\Omega\)

\(R_2=2R_1\)

 

 \(R_2=2(82.5 \space \Omega)\)

 

Answer: \(165 \space \Omega\)



Instructional Block
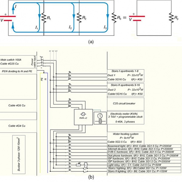
COMBINATIONS OF SERIES AND PARALLEL

More complex connections of resistors are sometimes just combinations of series and parallel. These are commonly encountered, especially when wire resistance is considered. In that case, wire resistance is in series with other resistances that are in parallel.

Combinations of series and parallel can be reduced to a single equivalent resistance using the technique illustrated in Figure 4. Various parts are identified as either series or parallel, reduced to their equivalents, and further reduced until a single resistance is left. The process is more time consuming than difficult.

​
Figure 4. This combination of seven resistors has both series and parallel parts. Each is identified and reduced to an equivalent resistance, and these are further reduced until a single equivalent resistance is reached.

The simplest combination of series and parallel resistance, shown in Figure 5, is also the most instructive, since it is found in many applications. For example, \(R_{1}\) could be the resistance of wires from a car battery to its electrical devices, which are in parallel. \(R_{2}\) and \(R_{3}\) could be the starter motor and a passenger compartment light. We have previously assumed that wire resistance is negligible, but, when it is not, it has important effects, as the next example indicates.

EXAMPLE

 CALCULATING RESISTANCE, \(IR\)

 DROP, CURRENT, AND POWER DISSIPATION: COMBINING SERIES AND PARALLEL CIRCUITS 

Figure 5 shows the resistors from the previous two examples wired in a different way—a combination of series and parallel. We can consider \(R_{1}\) to be the resistance of wires leading to \(R_{1}\) and \(R_{3}\). (a) Find the total resistance. (b) What is the \(IR\) drop in \(R_{1}\)? (c) Find the current \(I_{2}\) through \(R_{2}\). (d) What power is dissipated by \(R_{2}\)?

Figure 5. These three resistors are connected to a voltage source so that \(R_{2}\) and \(R_{3}\) are in parallel with one another and that combination is in series with \(R_{1}\).

Strategy and Solution for (a)

To find the total resistance, we note that \(R_{2}\) and \(R_{3}\) are in parallel and their combination \(R_{\mathrm{p}}\) is in series with \(R_{1}\). Thus the total (equivalent) resistance of this combination is

First, we find \(R_{\mathrm{p}}\) using the equation for resistors in parallel and entering known values:

Inverting gives

So the total resistance is

Discussion for (a)

The total resistance of this combination is intermediate between the pure series and pure parallel values ( and , respectively) found for the same resistors in the two previous examples.

Strategy and Solution for (b)

To find the \(IR\) drop in\(R_{1}\), we note that the full current \(I\) flows through \(R_{1}\). Thus its \(IR\) drop is

We must find \(I\) before we can calculate \(V_{1}\). The total current \(I\) is found using Ohm’s law for the circuit. That is,

Entering this into the expression above, we get

Discussion for (b)

The voltage applied to \(R_{2}\) and \(R_{3}\) is less than the total voltage by an amount \(V_{1}\). When wire resistance is large, it can significantly affect the operation of the devices represented by \(R_{2}\) and \(R_{3}\).

Strategy and Solution for (c)

To find the current through \(R_{2}\), we must first find the voltage applied to it. We call this voltage \(V_{\mathrm{p}}\), because it is applied to a parallel combination of resistors. The voltage applied to both \(R_{2}\) and \(R_{3}\) is reduced by the amount \(V_{1}\), and so it is

Now the current \(I_{2}\) through resistance \(R_{2}\) is found using Ohm’s law:

Discussion for (c)

The current is less than the 2.00 A that flowed through \(R_{2}\) when it was connected in parallel to the battery in the previous parallel circuit example.

Strategy and Solution for (d)

The power dissipated by \(R_{2}\) is given by

\(P_{2} = (I_{2})^2R_{2} = (1.61 \thinspace \mathrm{A})^2 (6.00 \thinspace \Omega) = 15.5 \thinspace \mathrm{W}.\)

Discussion for (d)

The power is less than the 24.0 W this resistor dissipated when connected in parallel to the 12.0-V source.

APPLYING THE SCIENCE PRACTICES: CIRCUIT CONSTRUCTION KIT (DC ONLY)

Plan an experiment to analyze the effect on currents and potential differences due to rearrangement of resistors and variations in voltage sources. Your experimental investigation should include data collection for at least five different scenarios of rearranged resistors (i.e., several combinations of series and parallel) and three scenarios of different voltage sources.

PRACTICAL IMPLICATIONS

One implication of this last example is that resistance in wires reduces the current and power delivered to a resistor. If wire resistance is relatively large, as in a worn (or a very long) extension cord, then this loss can be significant. If a large current is drawn, the \(IR\) drop in the wires can also be significant.

For example, when you are rummaging in the refrigerator and the motor comes on, the refrigerator light dims momentarily. Similarly, you can see the passenger compartment light dim when you start the engine of your car (although this may be due to resistance inside the battery itself).

What is happening in these high-current situations is illustrated in Figure 6. The device represented by \(R_3\) has a very low resistance, and so when it is switched on, a large current flows. This increased current causes a larger \(IR\) drop in the wires represented by \(R_1\), reducing the voltage across the light bulb (which is \(R_2\)), which then dims noticeably.

A conceptual drawing showing a refrigerator with its motor and light bulbs connected to a household A C circuit through a wire with resistance of R sub one. The bulb has a resistance R sub two, and the motor has a resistance R sub three.

Figure 6. Why do lights dim when a large appliance is switched on? The answer is that the large current the appliance motor draws causes a significant drop in the wires and reduces the voltage across the light.

 

PROBLEM-SOLVING STRATEGIES FOR SERIES AND PARALLEL RESISTORS
  1. Draw a clear circuit diagram, labeling all resistors and voltage sources. This step includes a list of the knowns for the problem, since they are labeled in your circuit diagram.
  2. Identify exactly what needs to be determined in the problem (identify the unknowns). A written list is useful.
  3. Determine whether resistors are in series, parallel, or a combination of both series and parallel. Examine the circuit diagram to make this assessment. Resistors are in series if the same current must pass sequentially through them.
  4. Use the appropriate list of major features for series or parallel connections to solve for the unknowns. There is one list for series and another for parallel. If your problem has a combination of series and parallel, reduce it in steps by considering individual groups of series or parallel connections, as done in this module and the examples. Special note: When finding \(R_p\), the reciprocal must be taken with care.
  5. Check to see whether the answers are reasonable and consistent. Units and numerical results must be reasonable. Total series resistance should be greater, whereas total parallel resistance should be smaller, for example. Power should be greater for the same devices in parallel compared with series, and so on.
No answers found for this question
No hints found for this question

Check All That Apply

The following figure shows a circuit consisting of 8 resistors. Which of the following statements is correct? Choose 3 correct options.





Answer Rubric % Of Choosen
\(R_4\) and \(R_5\) are connected in series. Correct 0 %
\(R_1\) and \(R_5\) are connected in parallel. In-Correct 0 %
\(R_3\) and \(R_4\) are connected in series.  Correct 0 %
\(R_4\) and \(R_2\) are connected in seres. In-Correct 0 %
\(R_1\) and \(R_2\) are connected in parallel. Correct 0 %


Numeric + Units

Determine the resultant resistance of the circuit below.

Is correct? Answer (midpoint) Rounding Margin Answer Range Units Wrong Answer Feedback
Correct 19.5 0.5 [19,20]

\(\Omega\)

Resistors R3 and R4  are connected in parallel.

 

\({1\over R_{3,4}}={1 \over R_3}+{1 \over R_4}\)

 

 \({1\over R_{3,4}}={1 \over 7 \; \Omega}+{1 \over 8 \; \Omega}=0.2679 \; {1 \over \Omega} \; \Rightarrow \; R_{3,4}=3.7333 \; {\Omega}\)

 

Resistors R5, R6, and Rare connected in parallel.

 

Therefore \({1\over R_{5,6,7}}={1 \over R_5}+{1 \over R_6}+{1 \over R_7} ={1 \over 2 \; \Omega}+{1 \over 5 \; \Omega}+{1 \over 2 \; \Omega}=1.2 \; {1 \over \Omega} \; \Rightarrow \; R_{5,6,7} =0.8333 \; { \Omega} \)

 

Resistors R1, R2, R3,4, and R5,6,7 are connected in series.

 

Therefore \(R_T=R_1+R_2+R_{3,4}+R_{5,6,7}=6 \; \Omega+9 \; \Omega+3.7333 \; \Omega+0.8333 \; \Omega\)

 

Answer: \(19.5667 \; \Omega\)


Check All That Apply

The figure above shows a circuit containing two batteries and three identical resistors with resistance R. Which of the following changes to the circuit will result in an increase in the current at point P? Select two answers.




Answer Rubric % Of Choosen
Removing the 2 V battery and connecting the wires to close the left loop. Correct 0 %
Reversing the connections to the 14 V battery. Correct 0 %
Removing the branch containing resistor Z. In-Correct 0 %
Rearranging the resistors so all three are in series. In-Correct 0 %


Multiple Choice

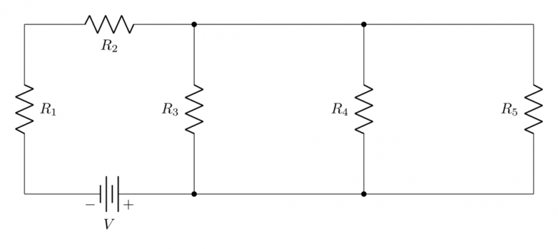
Which of the following is TRUE about the circuit diagram below?

Answer Rubric % Of Choosen
Resistors 1 and 2 are connected in parallel while 3, 4, and 5 are in series to the source. In-Correct 0 %
All resistors are connected in series to the source. In-Correct 0 %
Resistors 1 and 2 are connected in series while 3, 4, and 5 are in parallel to the source. Correct 0 %
All resistors are connected in parallel to the source. In-Correct 0 %
No hints found for this question

Simplify how you teach physics.

Start with Key2PHYSICS, our all-in-one Learning Platform for Physics Educators. It has the tools you need to teach physics—lessons, assessments, and learning reports—all in one place.